обо мне и моей бригаде

Строганов Кирилл
Я занимаюсь ремонтом более 15 лет. Самое приятное для меня - солидный список довольных клиентов.
Моя главная задача - организовать процесс ремонта таким образом, что бы проходил легко и приятно при взаимодействии со мной и моей командой. Я максимально открыт для вас.
Помогу подобрать современный материал, как дорогой так и не дорогой.
Оптимизирую смету. Многолетний опыт позволяет мне предложить Вам оптимально снизить стоимость ремонта без потери качества даже в классе премиум.
Мне удалось собрать отличную команду, которая работает слаженно. Это позволяет четко выдерживать сроки работ, не выходить за рамки согласованной сметы и экономить ваше время и силы.
К своей работе мы подходим с удовольствием начиная от создания дизайн проекта и заканчивая советами по расстановке мебели и декору помещения.
Сантехработы, монтаж и замена сантехники, как сделать правильно.
Незаменимые в любом доме элементы не так и просто поменять своими руками. Да, речь про сантехнические тонкости современного ремонта в ванной, туалетной комнате и на кухне.
Стоит начать с основы. И для этого рассмотрим сначала поочередность. В монтаже и замене сантехники выделяю такие этапы:
- Подготовительный.
- Устранение устаревшей техники и труб.
- Формирование схемы разводки.
- Решение вопроса с материалами и сметой по ним.
- Замена отопительных радиаторов.
- Монтаж новых водопроводных труб.
- Монтаж новых сливных труб.
- Монтаж сантехники и дополнений к ней.
Подготовительный этап
Здесь я рекомендую составлять перечень нужных коммуникаций и сантехнических аппаратов. Например, унитаз и стиралку необходимо подключать к холодному водообеспечению (ХВО) и канализации. А умывальник и ванну (либо душевую кабину) требуют дополнительного проведения горячей воды.
Ещё здесь хозяева должны решить вопрос с числом перекрывающих кранов. Они монтируются на подводе к стиральному аппарату. Можно их поставить на подводе к унитазу.
Далее решаются вопросы с инструментарием и материалами для замены труб.
Перечень инструментов таков:
- Болгарка. К ней нужен диск по металлу.
- Ручной клупп. Его диаметр обязательно должен совпадать с параметрами стояка.
- Перфоратор.
- Паяльник + насадки к нему. Труборез. Они облегчают работы на кухне и в ванном помещении.
- Молоток.
- Набор отвёрток.
- Рулетка и маркер.
- Зубило.
Материалы:
- Два переходника определённого диаметра для перехода с одной трубы на другую (с металла на пластик).
- Трубы из полипропилена. Закупаются в необходимом количестве. Их параметр – полдюйма. Рекомендую марку Pro Aqua, армированные версии. Цена за метр: 43-77 руб.
- Тройники.
- Разветвители и прочие фитинги.
- Саморезы, крепежи,
- Фум-лента. Рекомендую «Фторопласт». Ценник – 750 руб.
Нужны и прочие элементы. Их точное количество определяется после сформирования схемы монтажа водопровода.
Звоните! 8 (499) 390-95-97
Стадия демонтажа
Первым делом отключается вода у стояков с водой (и горячей - ГВ, и холодной - ХВ). Если требуется заменить стояковые трубы, для отключения воды придётся спускаться в подвал. Здесь есть такие особенности:
- Обязательное согласование работ с компанией, работающей с коммуникационными системами внутри дома.
- Нужно заранее проинформировать соседних жильцов по стояку о планируемых работах и перекрытии воды.
- Обеспечение замен труб и налаженное возобновление подачи воды.
Подсоединять новые изделия к сети рекомендую в соседних квартирах сверху и снизу.
Когда эти нюансы улажены, можно резать старые трубы. Но перед этим обязательно сливаем воду со стояков. От пола и потолка по отношению со смежными квартирами отступаем 50 см. Срез – перпендикулярный. Так будет удобнее создавать резьбу.
Отрезок трубы, сосредоточенный в плите, расшатываем молотком. Потом этот отрезок просто выбиваем. Удаляем и крепежи старых труб.
Туалет
Обновляем стояк и разводку. Новые трубы по диаметру должны соответствовать старым. В квартирах, имеющих шаблонный план, сначала заменяем трубы именно в туалете.
Операции:
- Решаем, где от стояков отойдёт разводка внутри. Режется труба на рассчитанные отрезки. По краям труб и на отводе ставятся фланцы.
- На старых трубах нарезается резьба. Применяется клупп. Они находятся в стояках в соседних квартирах.
- Делаем монтаж переходных фланцев на стояках. Проводим сборку стояков. Материал труб - полипропилен. Метод сборки – пайка. Для герметичности контактов задействуем фум-ленту.
- К фланцу для отведения припаиваем скромный отрезок трубы (на полдюйма). На её окончание стоит шаровый кран. Его рычаг фиксируем в позиции «закрыто»
- Открываются запорные краны. Они располагаются в подвале. Так возобновляем водообеспечение. Делаем проверку соединений на герметичность.
- Делаем монтаж элементов (труб) разводки. Учитываем, что здесь ещё будут находиться фильтры и счётчики.
- К унитазу подводим лишь ХВ. К раковине – и ХВ, и ГВ. На окончаниях труб крепим краны. Их позиция – закрытая.
- Ставится сантехника. К ней подсоединяем трубы, используя переходники. Можно применить гофрированные трубки.
- Трубы с обоими типами воды проводим через перегородку в соседнее помещение (ванную).
- Трубы с холодной водой изолируем полиэтиленовыми манжетами. Это мера против конденсата. Эти труб затем прячем за фальшстенкой. Это так называемый скрытый монтаж.
Трубы без изоляции никогда не ставим плотно к стене.

Ванная
В ванной меняются трубы по аналогичному методу. Обычно ванная соседствует с туалетом. И трубы сюда следуют через стену. Устраиваем их параллельно. Соединяем в нескольких местах. Это мера против провисания. Там, где планируется разместить сантехнику и стиральный аппарат, устраиваем ветви. На их окончаниях ставим шаровые краны.
Над ванной нужно поставить смеситель. Для этого штробим стены, ведь участки труб следует углубить. На их концах ставим специальную планку с фиксированными на определённой дистанции фланцами. Они фиксируются незаметно со стеновой поверхностью. Нужно учитывать плотность обшивочного материала.
Кухня
Операции на кухне зависят от её позиции: рядом с ванной или в другом конце квартиры. При первом варианте монтаж аналогичен монтажу в ванной. Второй вариант – аналог монтажа в туалете: сначала замена стояков, затем идёт разводка труб к раковине и посудомоечному аппарату (если он есть).
Трубы можно незначительно изогнуть. Так можно не применять лишние фитинги. Это и экономия, а также накапливается меньше отложений.
Чтобы в трубопроводе не случился гидроудар, делаем компенсационную петлю.
Пайка труб

Её проводим так:
- Режем трубы. Места среза обозначаем маркером. Для резки используем специальное приспособление. Примерно 2 см трубы помещается в фитинге.
- В паяльник сразу вставляем и трубу, и фитинг. Разогреваем до начальной температуры плавления металла.
- Трубу помещаем в фитинг и удерживаем 5-10 сек.
- Фитинг направляем так, как его нужно позиционировать в трубопроводе.
- По крайним сторонам фитинга возникает кольцо из мягкого от плавления материала (полипропилена). Его устранять нельзя. Когда материал застынет, контакт приобретает герметичность.
Звоните! 8 (499) 390-95-97
Замена чугунных труб
Такие трубы часто меняем из-за коррозии и слабой герметичности. Ставим современные пластиковые варианты.

Они прочны и легки. Обновить трубы канализации можно и своими руками. Сборка проходит по методу конструктора. Алгоритм такой:
- Выявляем участки расположения сантехники.
- Замеряем точки слива. Нужно учитывать параметры сантехники.
- Формируем схему.
- С основой на п.3 приобретаем материалы.
- Демонтируем старые трубы.
- Стыкуем элементы стояка, применяя специальные переходники, в соседних квартирах сверху и снизу.
- Собираем систему из новых изделий.
- Ставим сантехнику.

Завершив данные работы, по очереди тестируем герметичность изделий. Если есть несущественные течи, их устраняем.
Нюансы по разводке

В многоквартирных домах используем тройниковую или коллекторную разводку.
Тройниковый тип.
У него две ветви: горячая и холодная. В них входят тройники отвода. Подключение идёт последовательно. Монтаж прост и аккуратен. Материала нужно немного. Схема последовательна. Сохраняется отделка помещения. Только напор лучше у тех, кто ближе к системе.
Коллекторный тип
Жидкость движется к пользовательским точкам без отбора. У всех пользователей почти идентичный напор. Сделав дома такой вариант, получаем то, что все управляющие краны сосредотачиваются в одном ревизионном боксе. А на ветках нет лишних соединений.
Правда, такая укладка выглядит не эстетично. Её обычно устраиваем в случаях основательного капремонта и на даче или в частном доме.
Вопросы по сантехническим приборам
Установка таких приборов необходима. В базовую комплектацию входят:
- Фильтр. Тип - сетчатый грязевик.
- Обратный клапан.
- Автоматические приборы от протечек. У них два вида: механический и электромеханический.
Цена первого скромная. Его ставить легко. Пример: прибор «Аквастоп» (600 руб). Реагирует, когда вода расходуется слишком интенсивно и резко.
Второй стоит много. Пример – «Нептун» за 8000 – 10000 руб. Прибор может определить даже малейшую протечку.
- Манометры. Функция: фиксировать уровень загрязнений в фильтрах.
- Распределительные коллекторы.
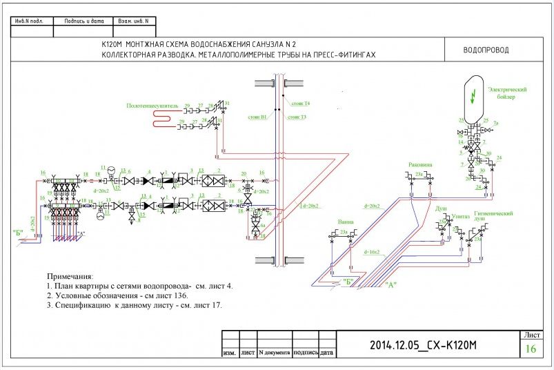
Вопросы по схеме разводки.
Когда решён вопрос по типу подключения и приборами в системе, разрабатываем эту схему. Благодаря ей правильно рассчитываем число и типы фитингов, вспомогательных компонентов на стадии закупки. Ещё монтаж проходит легче и быстрее.
Пример:

А без схемы хозяевам приходится многое переделывать и тратить много дорогого материала.
Профессиональный подход в разработке схем подразумевает нормированный порядок и расчёты. Лучше такие операции доверять специалистам.
Когда проводится капитальный ремонт, в схеме указываем:
- Все пункты водоразбора. Обозначаются приборы подключения.
- Трубопроводы с водой (горячей и холодной). Отражаются их диаметры, вид материала, вектор тока воды.
- Распределительные приборы.
- Запорно-контролирующие устройства.
- Аварийные автоматические приборы.
- Водомерные средства.
Пример возможных ошибок:
- нет пунктов водоразбора или устройства их подключения,
- не продуман монтаж вспомогательных приборов,
- не ставят защитную автоматику
Нюансы скрытого монтажа
Умелый скрытый монтаж труб позволяет их установить без вреда эстетическому облику помещения. Для этого нужно соблюдать такие критерии:
- Покупать качественный надёжный материал, имеющий сертификаты. Рекомендую брать коробы, фальшпанели, имеющие защитные экраны или ревизионные лючки.
- Выяснить на этапе покупки, какие трубы можно тотально замуровывать. Хотя по общим правилам этого делать нельзя. Советую делать гомогенные соединения. Мы проводим в таких случаях диффузионную сварку, делаем минимум стыков.
- У трубопроводов должен быть скромный показатель термального расширения.
Обычно мы замуровываем цельные участки из таких материалов:
- полибутен,
- цельный полиэтилен,
- металлопластик.
Рекомендую монтировать армированные изделия. У них линейное расширение в 5 раз меньше, чем у изделий без армирования. Трубы прокладываем в специальных чехлах, например «Энергофлекс». Так компенсируем деформации по линиям ГВС и не допускаем конденсата на трубах ХВС.
Звоните! 8 (499) 390-95-97
Операции с отопительными радиаторами
Далее предлагаю инструктаж по демонтажу радиатора отопления. В пример взят биметаллический радиатор. Такие модели уже сразу ставятся в новостройках, да и во многих других домах.
Стадии (фото прилагается):
- Отвинчиваем американку сверху, потом снизу. Снимаем аппарат с крепежей, незначительно его поднимая. Отделываем стену. Сгодится акриловая краска, шпаклевка и т.д. Крепежи радиатора не выкручиваем и не смещаем.
- Ставим радиатор назад в обратном алгоритме.

Вопросы по смете.
Когда нами формируется смета на трубопровод и прочие сантехработы, учитываются следующие нюансы:
- Свойства и размеры строений, их отдельных компонентов и разных конструктивных специфик, значащихся в проекте. Например, если нужно проложить трубопровод в стене, нужно дополнительное бурение.
- Совокупный размер всех работ. Он вычисляется по проекту. По размерам строения и виду работ вычисляется объём требующегося материала. Например, если прокладывается трубопровод в ванной, считаются и метраж труб, и число смесителей, крепежей, муфт и вентилей.
- Совокупное число инструментов и материалов для демонтажных и монтажных операций. В этом помогают заказные спецификации и документация, значащаяся в проекте. Если формируете смету сами, то сделайте список инструментария и приспособлений, требующихся в работе.
- Учтите рыночную стоимость выбранных материалов и расценки на работы, проведите калькуляцию суммарных расходов в смете. Для этого применяем действующие стандарты и показатели. Чтобы точно определить траты на материалы, узнайте их средний ценник на рынке.
При значительных объёмах работ под ключ мы можем снизить расценки до 25%.
Далее предложен простой пример сметы, в которую включены разные услуги и их оплаты. Всё рассматривается в единственном числе.
|
Установка (У) и монтаж (М). |
Элемент |
Ценник (руб) |
|
У |
Арматура с настройкой бачков |
900 |
|
У |
Стальная ванна + П |
2400 |
|
У |
Чугунная ванна + П. |
3 500 |
|
У |
Душевой комплекс |
16500 |
|
Сборка и У. |
Простая душевая кабина |
5700 |
|
У |
Душевая штанга |
300 |
|
У |
Умывальник |
2500 |
|
М |
Обвязка 1 (из латуни) |
700 |
|
М |
Обвязка 2 (из пластика) |
600 |
|
М |
Парогенератор + П |
3400 |
|
У |
Раковина |
1700 |
|
У |
Простой металлический сифон |
800 |
|
У |
Простой пластиковый сифон |
550 |
|
М |
Смеситель 1 (Интегрированный) |
1400 |
|
У |
Смеситель 2 (настенная версия с терморегуляцией) |
1700 |
|
У |
Смеситель 3 (с душем) |
1000 |
|
У |
Смеситель 4 (электронная версия) |
2000 |
|
Стиральный аппарат + П к водопроводу |
1100 |
|
|
У |
Унитаз + П |
1800 |
Звоните! 8 (499) 390-95-97



Услуги по ремонту
Заказчикам
Компания

Контакты